两个桥式整流并联使用,可以增加整流输出电流,一般情况下在变压器输出电流有足够的情况下,可以并联桥式整流使用,这样可以增大一倍的输出直流电流电路图如下同问,同求,同解。
见图排列方向特殊的那个引脚就是quot1quot是直流正极,“1”对角的“4”是负极,“2”“3”接交流整流桥 整流桥就是将整流管封在一个壳内整流桥电路图了分全桥和半桥全桥是将连接好的桥式整流电路的四个二极管封在一起半桥是将两个二极管桥式整流的一半封在一起,用两个半桥可组成一个桥式整流电路,一个。
整流桥的作用是将交流电转换为直流电其内部主要由四个二极管组成的桥路来实现这一功能在整流桥的每个工作周期内,同一时间只有两个二极管进行工作,通过二极管的单向导通功能,把交流电转换成单向的直流脉动电压整流桥的原理图如下所述结构整流桥将四个整流二极管封装在一起,并只引出四个引脚这。
可以,全桥整流就是四个整流二极管,二个二极管的就是半波整流,不过220v交流电经过整流滤波得出的直流就不是220v了,大约是300310v左右的直流电 完全。
整流桥的接线方法如下整流正极输出,C4作为整流负极输出,A1与A2共同作为交流输入端右侧为整流桥实物产品图样式,A1与A2集成在了中间位置,正负极在最外侧实际运用中整流桥电路图我们只需要将实物C4负极脚位对应连接电路图C4点,实物B3正极脚位与电路图B3相连接大多数电路采用高压整流方式居多,高压整流桥的。

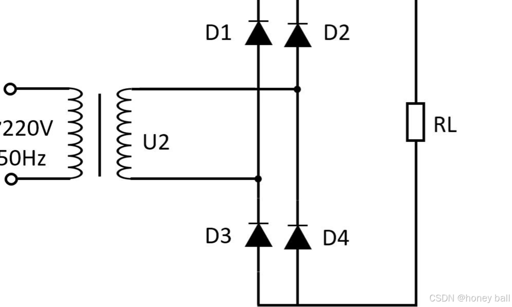
输入电压为0~220V~380V,次级电压输出是0~12~24~36V,可以用桥式整流电路整流为直流电,电路图如下图中的24为电源变压器次级交流电输入,可以输入12V24V36V,13为整流后直流电输出电压与输入电压同步整流桥电路图你的那个三相整流桥堆适合于三相动力电输入整流,电路图如下变压器。
整流桥电路图与计算方法 整流桥电路图 整流桥电路是一种常用的电源电路,用于将交流电AC转换为直流电DC其核心组件是四个二极管,这些二极管以特定的方式连接,形成桥式结构,从而允许电流在一个方向上流动,同时阻止电流在相反方向上流动以下是整流桥电路图的详细解析1 二极管全波整流桥电路。
全波整流桥图片及全波整流桥检测 整流桥作为一种功率元器件,非常广泛应用于各种电源设备整流全波整流桥的工作原理电路如图1所示图1全波整流桥的原理图 其内部主要是由四个二极管组成的桥路来实现把输入的交流电压转化为输出的直流电压如上图所示,在整流桥的每个工作周期内,同一时间只有两个。
如下图所示单相整流桥式电路中,由于交流侧电流为全波或半波对称三相桥式整流电路中,由于交流侧电流为全波对称但是对三相半控整流电路就不一样啦,它的交流侧电流半波不再对称,于是产生了偶次谐波同理,此后输出电压依次等于ubaucaucb此时的工作情况和输出电压波形与三相桥式不控整流电路。
三相整流桥与一般的单相整流桥的不同就在于,三相是由6个二极管并联组成,单相是由4个二极管并联组成因此在整流桥的接线方式上,三相整流桥会比普通的单相整流桥更复杂一些三相整流桥电路图根据芯片的不同有几种画法,如晶闸管与普通二极管芯片的符号区别,但基本电路结构均是一样的如下图所示采用。

实际运用中,只需将实物C4负极脚位对应连接电路图中的C4点,实物B3正极脚位与电路图中的B3相连接大多数电路设计偏向于高压整流方式,高压整流桥的电路接法是将交流220V输入连接到整流桥的AC交流端,正极直流输出连接负载电器正极,负载电器负极连接整流桥负极,形成回路,实现电源整流的路径。
实物接线图如下连接技巧4个二极管分两组,两个两个串一起,即一个二极管正极接另一个二极管负极,然后把二组串好的二极管并联,也就是正接正负接负接点两个正极是输出的负极端,两个负极是输出的正极端,剩余两个接点是输入的交流端。
如上图所示左侧是桥式整流电路的内部结构图,B3用作整流器的正输出,C4用作整流器的负输出,A1和A2均作为交流输入端子右侧是整流桥的实际产品样式,A1和A2集成在中间位置,正极和负极在最外侧在实际使用中,整流桥电路图我们只需要将实物产品C4的负极引脚连接到电路图中的点C4,并将实物产品B3的正极引脚连接到电路图B3上述方式是。
在电路设计中,整流桥的接法主要有半波和全波两种半波整流电路使用一个整流二极管,适用于对电压方向没有要求的情况半波整流的电路图如下而全波整流则使用四个二极管,可以将交流电转换为直流电,适用于需要稳定直流电压的场合全波整流的电路图如下对于大多数爱好者来说,使用整流桥电路是最为。
整流桥使用的是四个整流二极管,连接方法也不是四个串起来,电路图如下可以用万用表测试一下它的正反向电阻,如果正向电阻阻值为2k欧姆左右,反向电阻在500k欧姆以上,且耐压大于功放机输入电压需用电流的根2倍,就可以用你好。